
【 微信扫码咨询 】
0769-81816942
13342689247
BP9916C是一款高精度降压型的LED恒流驱动芯片,采用SOP8封装,内部集成500V功率管,无需辅助绕组检测和供电,适用于85Vac~265Vac全范围输入电压的非隔离降压型LED恒流电源,今天二方电子跟大家介绍它的恒流工作原理图,恒流原理,驱动电路图,及输出电压。

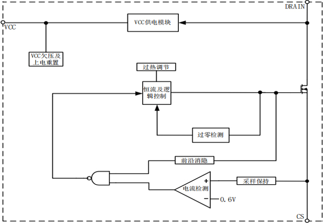
LED降压恒流驱动IC BP9916C恒流原理:逐周期检测电感峰值电流,CS端连接的内部电流比较器输入端,与内部600mV基准电压比较,当CS电压达到内部检测阈值时,关断功率管。通过恒定电感峰值电流,及逐周期检测电流控制系统工作在临界模式实现恒流功能。
BP9916C恒流工作原理图(内部框图);

BP9916C最大输出电流为200mA,最小输出电压>10V。
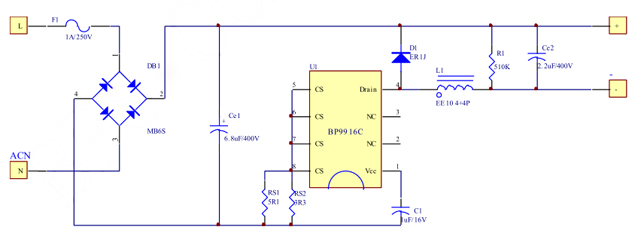
下图为BP9916C 18W LED恒流驱动电源原理图电路图

以上就是关于BP9916C恒流工作原理图,电路图及输出电压的相关介绍,如需购买BP9916C或其它晶丰型号,欢迎联系二方电子,保证正品,提供原厂技术支持等服务。
内容相关文章推荐;
免责声明:本网站部分图片,文章来源于其它媒体与网站公开信息,版权归原作者所有,转载是出于非商业性的信息传播交流之目的,如涉及作品内容,版权或其它问题请及时反馈,我们将立即予以处理!