600V半桥栅极驱动芯片BP6911(参数 电路 引脚排列)
BP6911是晶丰BPS一款高压半桥栅极驱动芯片,两路独立输入可以分别驱动高侧和低侧半桥NMOS或IGBT,可广泛应用于马达驱动等,芯片内置死区时间和直通保护逻辑,防止上下桥臂功率管同时导通,最高耐压600V,支持3.3V/5V/15V输入逻辑,封装类型为SOP8。

【 微信扫码咨询 】
0769-81816942
13342689247
BP6911是晶丰BPS一款高压半桥栅极驱动芯片,两路独立输入可以分别驱动高侧和低侧半桥NMOS或IGBT,可广泛应用于马达驱动等,芯片内置死区时间和直通保护逻辑,防止上下桥臂功率管同时导通,最高耐压600V,支持3.3V/5V/15V输入逻辑,封装类型为SOP8。
BP6911是一款高压半桥栅极驱动芯片,两路独立输入可以分别驱动高侧和低侧半桥NMOS或IGBT,可广泛应用于马达驱动等,芯片内置死区时间和直通保护逻辑,防止上下桥臂功率管同时导通,封装类型为SOP8,需要报价,样品可以联系,现货直发。
600V半桥栅极驱动芯片BP6911主要特点;
高侧驱动浮动电源设计,最高耐压+600V
驱动电流450mA/1000mA
可承受瞬时负压
10V~20V栅极驱动电源电压
支持3.3V/5V/15V输入逻辑
高低侧欠压保护功能
内置100ns死区时间
BP6911应用领域;
电机驱动
IOT/智能家居/智能照明
工业控制
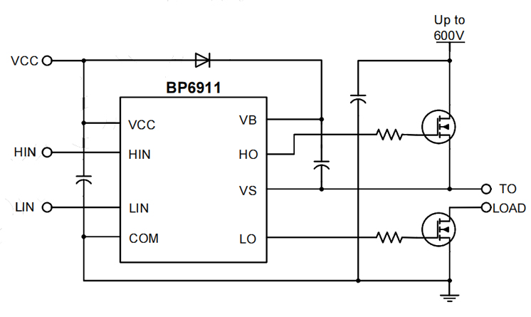
BP6911驱动芯片典型应用电路;

BP6911芯片引脚排序及功能(排序见上方电路图所示)
1、VCC:芯片工作电源输入端
2、HIN:高侧逻辑输入信号
3、LIN:低侧逻辑输入信号
4、COM:低侧驱动地
5、LO:低侧输出,控制低侧MOS 的开通与截止
6、VS:高侧悬浮地
7、HO:高侧输出,控制高侧MOS的开通与截止
8、VB:高侧悬浮电源
推荐工作范围;
