
【 微信扫码咨询 】
0769-81816942
13342689247
想询一款60v转12v的降压电源芯片,今日IC芯片代理商二方电子小编为您推荐LKS611,该芯片可以将直流15v以上电压转换成12v电压,以下是该芯片的一些主要参数,管脚及引脚功能,以及应用电路图的相关介绍。
LKS611是一款用于DC-DC变换的控制芯片,芯片内部集成有基准电压源、比较器、占空比可调的内置振荡器以及高性能的电流开关,输出电压为固定的12V,内部集成有2个2%精度的分压电阻,可用于Step –Down应用下,封装方式为贴片SOP7,驱动输出电流为300mA,有限流功能,限流点650mA。
LKS611降压电源芯片主要参数;

60V转12v降压电源芯片LKS611引脚功能说明;

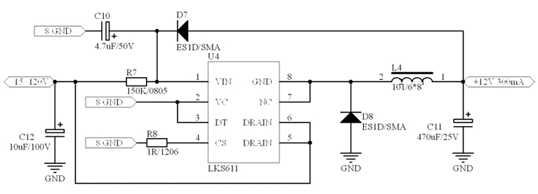
LKS611芯片典型应用电路(输入15~150V,输出12v300mA)

注:一旦电源工作起来,电感就处于持续工作状态,因此续流二极管D1需要有极高的响应速度,如果D1响应速度不足,将导致产生大的电流毛刺,进而使得功率 MOSFET 关断、输出电压不能达到预期值。同时还将导致不必要的功耗损失。对于 Buck 型应用,推荐使用 100V/1A、恢复时间小于 50ns的二极管,而对于 Buck/Boost 型应用,推荐使用200V/1A、恢复时间小于 50ns 的二极管,例如ES1D和 ES2D。
以上就是关于60V转12v降压电源芯片LKS611主要参数,引脚功能说明及电路图,续流二极管相关介绍,对该芯片感兴趣的欢迎联系二方电子。
相关IC芯片栏目;
内容相关文章推荐;
免责声明:本网站部分图片,文章来源于其它媒体与网站公开信息,版权归原作者所有,转载是出于非商业性的信息传播交流之目的,如涉及作品内容,版权或其它问题请及时反馈,我们将立即予以处理!