
【 微信扫码咨询 】
0769-81816942
13342689247
关于LED灯的恒流跟阻容有啥区别有很多人不是很清楚,今天二方电子整理了下资料给大家分享下LED灯恒流跟阻容的区别对比,包括特性方面,成本方面,性能方面,应用范围方面。
首先来看看阻容降压与恒流方案的优缺点,这里的恒流方案采用的是晶丰BP9918系列。

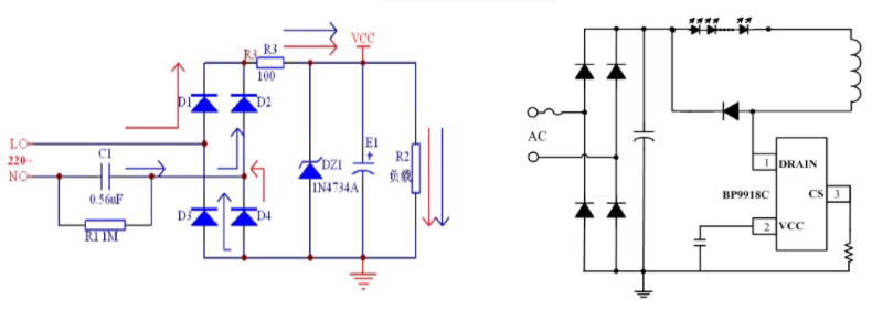
上图为阻容降压与恒流方案典型电路图
阻容降压主要优点在于元器件少,缺点是电流随电压波动而波动、低频纹波高频闪、光源光衰严重、功率因数低、降压电容容值易变小导致电源寿命短、只适合小功率使用。
再来看看BP9918恒流方案主要特点:高度集成,最少7个元件、恒流精度高、恒流方案抑制电网波动对输出电流的影响、兼容工字电感、贴片封装,易生产、产品系列兼容3W—18W应用。
BOM成本对比,以3W,5W为例;

BP9918恒流方案与阻容降压性能对比;

使用恒流方案,PF> 0.5,可以达到CQC认证规定无频闪,更健康,恒流输出,灯珠电流可以使用到100%,省25% LED灯珠。
阻容降压方案容易受电压变化电流变化大,为了防止烧灯珠,驱动电流一般用在灯珠额定电流的75%。
阻容降压方案与恒流方案BP9918应用驱动对比;

低成本的阻容降压电源作为驱动,配合小电流灯珠<100mA,整灯功率<5w,功率因数小于0.5,降压用电容随着使用时间增长,容值变小容易引起电源损坏。
BP9918x恒流驱动芯片做电源作为驱动,灯珠电流通过采样电阻设置,可配合2并6-50串3528LED灯板,或者6-66串5630LED灯板,或其他类型的光源,功率因数大于0.5,适用范围广,可靠性高,成本低,无频闪。
恒流驱动芯片选型推荐;

目前市面上有很多低端品牌都用这种比较落后的阻容驱动(阻容降压驱动),简陋的技术导致出两大致命缺陷,一个是炸泡,一个是LED击穿,说白了就是灯泡容易坏,而且对眼睛也不好,看久了会伤眼睛,有些负责任的厂家会选“恒流驱动”作为LED灯的电源驱动,相对来说就不会出现以上的问题,希望对你有帮助!
阻容和恒流哪个好,你现在知道了吗?
我司为晶丰一级代理商,代理经销晶丰明源全线产品,有需要高精度降压芯片BP9918C样品,了解价格欢迎联系我们。
免责声明:本网站部分图片,文章来源于其它媒体与网站公开信息,版权归原作者所有,转载是出于非商业性的信息传播交流之目的,如涉及作品内容,版权或其它问题请及时反馈,我们将立即予以处理!