5V300mA智能门铃电源芯片BP85226D
BP85226D是一款高性能、高集成度、低待机功耗的ac-dc开关电源芯片,适用于全电85~265VAC输入的Buck、Buck-Boost变换器拓扑应用,SOP-7封装,典型应用为5v300mA,适用于电饭煲,空气炸锅,智能门铃/插座等小家电,了解该芯片的更多参数,原理图,规格书请下拉查看,有需询价询样品欢迎咨询。

【 微信扫码咨询 】
0769-81816942
13342689247
BP85226D是一款高性能、高集成度、低待机功耗的ac-dc开关电源芯片,适用于全电85~265VAC输入的Buck、Buck-Boost变换器拓扑应用,SOP-7封装,典型应用为5v300mA,适用于电饭煲,空气炸锅,智能门铃/插座等小家电,了解该芯片的更多参数,原理图,规格书请下拉查看,有需询价询样品欢迎咨询。
BP85226D是一款高性能、高集成度、低待机功耗的ac-dc开关电源芯片,适用于全电85~265VAC输入的Buck、Buck-Boost变换器拓扑应用,SOP-7封装,内部集成了650V高压MOSFET,高压启动和自供电电路、电流采样电路、电压反馈电路以及续流二极管,采用先进的控制技术,无需外部VCC电容和环路补偿,即可实现优异的恒压输出特性,适用于电饭煲,空气炸锅,智能门铃/插座等小家电。
BP85226D芯片的特点;
集成VCC电容、续流二极管和反馈二极管
集成650V高压MOSFET
集成高压启动和自供电电路
低待机功耗50mW@230Vac
固定5V输出
优异的动态响应速度,输出电压纹波小
良好的负载调整率和线性调整率
降低音频噪声的降幅调制技术
自适应开关频率,最高36kHz
改善EMI性能的频率调制技术
内置软启动功能
具有输出短路保护(SCP) ,输过压保护(OVP),输出过载保护(OLP) ,反馈开路保护,逐周期限流(Cycle-by-Cycle),迟滞过温保护(OTP)
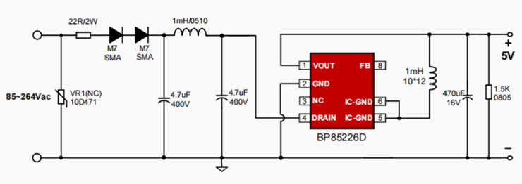
BP85226D应用原理图(Buck-Boost共5V输出)

BP85226D Buck共地输出原理图

开关电源驱动芯片BP85226D引脚功能介绍;
1 VOUT:输出电压端,芯片内部反馈二极管阳极
2 GND:输出电压参考地,内部续流二极管阳极
3 NC:无连接
4 DRAIN:芯片内部高压MOSFET漏极,此引脚也向芯片内部提供自供电电流
5 6 IC-GND:芯片地,内部MOSFET源极
7 FB 芯片电压采样端,内部反馈二极管阴极,外部无需连接
规格书下载/查看;
同系列芯片方案介绍;