5V150mA非隔离降压恒压芯片BP8522D
BP8522D是一款高集成度无VCC电容的非隔离降压型恒压驱动芯片,设计厂商是晶丰BPS,IC采用SOP7封装,适用于85Vac-265Vac全电压输入的非隔离电源,固定5V输出电压、持续输出电流150mA,内部集成550V功率管、过载保护、短路保护、过温保护、逐周期限流等保护功能,欢迎咨询样品,价格。

【 微信扫码咨询 】
0769-81816942
13342689247
BP8522D是一款高集成度无VCC电容的非隔离降压型恒压驱动芯片,设计厂商是晶丰BPS,IC采用SOP7封装,适用于85Vac-265Vac全电压输入的非隔离电源,固定5V输出电压、持续输出电流150mA,内部集成550V功率管、过载保护、短路保护、过温保护、逐周期限流等保护功能,欢迎咨询样品,价格。
BP8522D是一款高集成度无VCC电容的非隔离降压型恒压驱动芯片,采用SOP7封装,适用于85Vac-265Vac全电压输入的非隔离电源,采用特有的多模式控制,芯片内部集成550V功率开关和输出电压采样电阻,以及续流二极管,只需要极少的外围组件就可以达到优异的恒压特性,特别适合于小家电辅助电源应用。
非隔离降压恒压芯片BP8522D特点;
1、无VCC电容
2、低待机功耗<50mW @230Vac
3、固定5V输出电压
4、内部集成550V功率管
5、集成高压启动和供电电路
6、减小音频噪声的降幅调制技术
7、改善EMI的抖频技术
8、内置软启动
9、具有过载保护、短路保护、过温保护、逐周期限流等保护功能
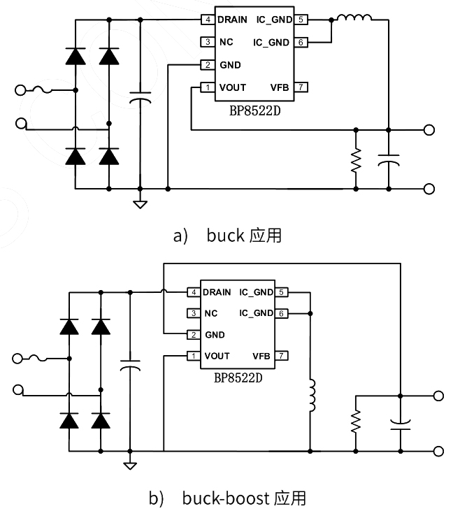
BP8522D芯片buck跟buck-boost应用电路图;

相关文章推荐;