
【 微信扫码咨询 】
0769-81816942
13342689247
BP5768D是一款高度集成的5通道I2C通信调光的LED线性恒流驱动芯片,在满足欧洲新ERP和电流谐波标准的同时,还可以应用于CEC认证的照明方案,具有良好的线性调整率以及输出模拟电流无频闪,基于线性恒流技术,可以省去磁性元件,有助于LED驱动器实现小体积、低成本,并符合EMI标准,芯片内置五个通道(OUT1/2/3/4/5) 500V/90mA 的MOSFET,通过I2C协议来控制5个通道的输出电流,可实现1024级灰度的电流控制,消除调光过程的闪烁现象,搭配辅助供电源芯片和无线控制模块便可实现RGBCW五种颜色的调光调色方案,模块协议兼容BP5758D。
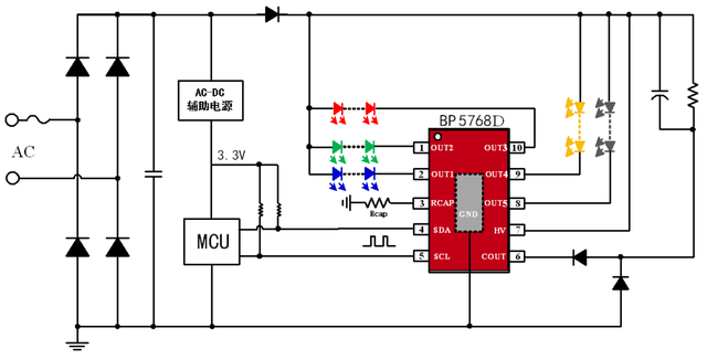
BP5768D原理电路图;

高压调光IC芯片BP5769D主要特点;
满足IEC61000-3-2:2019电流谐波标准
频闪低Pst LM<1,SVM<0.4
可满足北美CEC应用PF>0.7
五通道OUT1~5高压线性调光
OUT1~5通道最大电流90mA,耐压500V
支持五路最大输出电流单独设置
最大输出电流设置1mA/Step
IC控制每个通道1024级灰度调节
支持0.1%调光
输入线电压补偿功能
超低待机功耗,待机电流小于100uA
过温调节功能
采用ESSOP-10封装
DEMO实物图;

BP5769D芯片引脚功能介绍;
1脚OUT2:恒流输出端口1(推荐绿)
2脚OUT1:恒流输出端口1(推荐蓝)
3脚RCAP:输入电解电容充电电流设定,通过电阻连接到地
4脚SDA:数据输入端口
5脚SCL:时钟信号输入端口
6脚COUT:电流谐波控制功率MOS管漏极
7脚HV:芯片电源输入端口
8脚OUT5:恒流输出端口4(推荐冷白)
9脚OUT4:恒流输出端口3(推荐暖白)
10脚OUT3:恒流输出端口3(推荐红)
衬底GND:芯片地
BP5768D ERP 电气性能参数;

CEC应用性能参数;

相关应用方案;(功率10W)

BP5768D,满足欧洲新ErP标准,输入功率以及输出电流调整率优异,灯板Layout灵活简洁,节省跳线电阻,调光曲线平滑细腻,可带来更好的调光体验,外围精简,输出无频闪,易满足低待机功耗要求,欢迎咨询。
相关问题;
免责声明:本网站部分图片,文章来源于其它媒体与网站公开信息,版权归原作者所有,转载是出于非商业性的信息传播交流之目的,如涉及作品内容,版权或其它问题请及时反馈,我们将立即予以处理!