
【 微信扫码咨询 】
0769-81816942
13342689247
正找12v开关电源管理芯片?今日二方电子小编为您带来一款晶丰明源AC/DC非隔离12v300mA贴片开关电源IC,型号为BP85256D,贴片7脚,以下为该芯片的特点,应用领域及方案相关介绍,
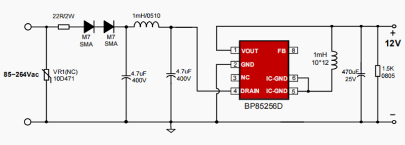
BP85256D是一款高性能、高集成度、低待机功耗的开关电源驱动芯片,适用于全电压85~265VAC输入的Buck、Buck-Boost变换器拓扑应用,内部集成了650V高压MOSFEK高压启动和自供电电路、电流采样电路、电压反馈电路以及续流二极管,采用先进的控制计术,无需外部VCC电容和环路补偿即可实现优异的恒压12v输出特性,SOP-7封装。
BP85256D电源芯片主要特点;
集成VCC电容、续流二极管和反馈二极管
集成650V高压MOSFET
集成高压启动和自供电电路
低待机功耗50mW@230Vac
固定12V输出
优异的动态响应速度,输出电压纹波小
良好的负载调整率和线性调整率
降低音频噪声的降幅调制技术
自适应开关频率,最高45kHz
改善EMI性能的频率调制技术
内置软启动功能
输出短路保护(SCP) ,输过压保护(OVP),输出过载保护(OLP) ,反馈开路保护,逐周期限流(Cycle-by-Cycle),迟滞过温保护(OTP)
BP85256D芯片的7个引脚(管脚)功能定义;
引脚1 VOUT:输出电压端,芯片内部反馈二极管阳极
引脚2 GND:输出电压参考地,内部续流二极管阳极
引脚3 NC:无连接
引脚4 DRAIN:芯片内部高压MOSFET漏极,此引脚也向芯片内部提供自供电电流
引脚5,6 IC-GND:芯片地,内部MOSFET源极
引脚7 FB:芯片电压采样端,内部反馈二极管阴极,外部无需连接
BP85256D应用方案-电饭煲,电压力锅,电暖器,电磁炉等小家电产品电源
方案特点;
“零”贴片外围,无反馈电阻电容
Surge Pass 2KV, EMI余量充足
方案原理图电路;

以上就是小编为您推荐的12V300mA开关电源管理芯片BP85256D的相关介绍,感兴趣的工程欢迎与我司联系,有更多型号等您选择。
更多12V开关电源芯片方案;
免责声明:本网站部分图片,文章来源于其它媒体与网站公开信息,版权归原作者所有,转载是出于非商业性的信息传播交流之目的,如涉及作品内容,版权或其它问题请及时反馈,我们将立即予以处理!