
【 微信扫码咨询 】
0769-81816942
13342689247
BPP1N5004D是晶丰一款高压单相IPM智能功率电源模块,属于大功率IPM(500v4A),单颗最大功率为50W,它集成了用于BLDC无刷直流电机和PMSM永磁同步电机的HVIC和高性能MOSFET,低侧MOSFET的独立开放源极引脚用于电流传感,输入采用施密特触发器,逻辑电压电平与3.3V/5V/15V信号兼容,还提供了UVLO和死区时间。
BPP1N5004D主要特点;
内置高性能 500V/4A MOSFET
在负瞬态电压下稳定
栅极驱动电源范围为 10V 至 20V
3.3V、5V 和 15V 输入逻辑兼容
高侧和低侧的 UVLO
内置死区时间以避免交叉传导
DIP8封装
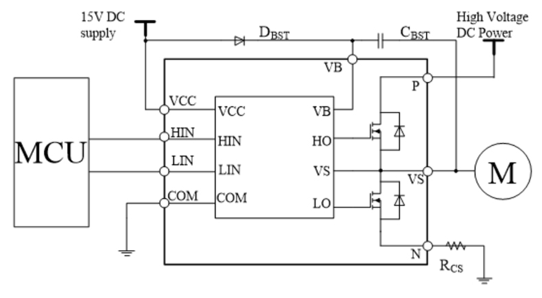
BPP1N5004D的典型应用电路;

BPP1N5004D引脚功能详解;
1 VCC 逻辑和低端 MOSFET 驱动电源
2 HIN 高端逻辑输入
3 LIN 低侧逻辑输入
4 COM 逻辑公共地
5 N 负参考和低侧 MOSFET 返回
6 VS 输出和高端 MOSFET 返回
7 P 正高压直流电源
8 VB 高边 MOSFET 驱动电源
推荐操作条件参数;

以上就是关于单相IPM智能电源模块BPP1N5004D参数引脚电路介绍,您关注的该功率模块的相关应用方案后期再补充。
相关电机驱动方案;
免责声明:本网站部分图片,文章来源于其它媒体与网站公开信息,版权归原作者所有,转载是出于非商业性的信息传播交流之目的,如涉及作品内容,版权或其它问题请及时反馈,我们将立即予以处理!