
【 微信扫码咨询 】
0769-81816942
13342689247
前不久有跟大家介绍线性可控硅调光芯片有哪些?今天同样为大家带来的是可控硅调光芯片系列,为开关可控硅调光IC,以下是小编为您整理推荐的14个型号及应用方案推荐。
下列为开关可控硅调光芯片参数选型表;(高PF SOP8封装)

主要型号有BP3276AH、BP3276C、BP3278、BP3286H、BP3287H、BP3286C、BP3286J、BP3288、BP3206C、BP3236C、BP3238、BP3256C、BP3258、BP3286CB。
如应用于北美高效率球泡灯/射灯/筒灯开关可控硅调光方案可选芯片型号BP3276AH(16W)或BP3276C(16W),应用结构BOOST,具有集成高压JFET供电,外围无VCC电容,集成环路补偿,无需COMP电容,过温调节可外设,兼容普通电阻和NTC,可调Tonmax,减少电感规格等特点。
北美高兼容性球泡灯/PAR灯/筒灯开关可控硅调光方案可选BP3286C(最大功率10W)、BP3286J(15w),应用结构Buck-Boost。
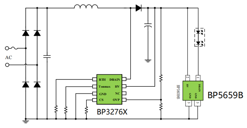
欧洲ErP高效率可控硅调光方案可选IC型号BP3276AH+BP5659B(12W),BP3276C+BP5659B(16W),应用结构Boost。
下列为方案应用原理图电路;

以上就是关于开关可控硅调光IC芯片的一些料号及应用方案推荐,如有需要报价或者其它问题欢迎咨询二方电子。
相关可控硅调光知识及方案介绍;
免责声明:本网站部分图片,文章来源于其它媒体与网站公开信息,版权归原作者所有,转载是出于非商业性的信息传播交流之目的,如涉及作品内容,版权或其它问题请及时反馈,我们将立即予以处理!