1A4.2V线性单节锂电池充电IC FP8102(应用电路 参数 替换)
FP8102是一款单节锂电池线性充电管理芯片,工作电压4-5.5V,采用SOP8/MSOP8封装,只需很少的外部元件,非常适合各种便携式应用,如充电底座和支架、移动手机和平板、手持电脑,可以完全替代TP4056,CH6210等IC型号。

【 微信扫码咨询 】
0769-81816942
13342689247
FP8102是一款单节锂电池线性充电管理芯片,工作电压4-5.5V,采用SOP8/MSOP8封装,只需很少的外部元件,非常适合各种便携式应用,如充电底座和支架、移动手机和平板、手持电脑,可以完全替代TP4056,CH6210等IC型号。
FP8102是一款单节锂电池线性充电管理芯片,采用SOP8/MSOP8封装,只需很少的外部元件,非常适合各种便携式应用,充电电流可以通过外部电阻器进行编程,在待机模式下,电源电流将降低到 55uA 左右,保护功能包括UVLO、自动充电、充电状态指示器和热调节。
充电芯片FP8102特点;
用于单节锂离子电池的独立线性充电器
无需外部 MOSFET、检测电阻器或阻塞二极管
高达1000mA 的可编程充电电流
精度达到±1%的预设充电电压
自动再充电
2.9V涓流充电电压
C/10充电终止
待机模式下的供电电流为55uA
充电状态双输出、无电池和故障状态显示
软启动以限制浪涌电流
电池温度监测及热保护
锂离子电池充电ic FP8102应用;
便携式信息设备
充电底座和支架
移动手机和平板
手持电脑
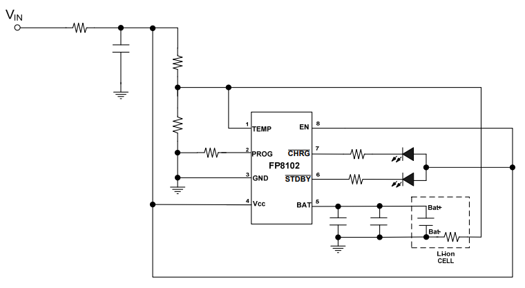
FP8102典型应用电路;

FP8102引脚图及引脚功能介绍;

绝对最大额定值参数;

FP8102可以替换哪些芯片型号?
可以完全替代TP4056,CH6210等IC型号。