1A同步降压稳压器IC FP6161(价格 特性 应用)
fp6161是什么元件?FP6161是一款输出电流最大1A的同步降压IC芯片,CMOS 低压差、正线性稳压器,设计厂商是台湾远翔,输入电压低至约 1.65V,可以提供保证的 200mA 负载电流和低压差电压,节省空间的微型 5 引脚 SOT-23 和 TSOT-23 封装非常适合手持式应用。

【 微信扫码咨询 】
0769-81816942
13342689247
fp6161是什么元件?FP6161是一款输出电流最大1A的同步降压IC芯片,CMOS 低压差、正线性稳压器,设计厂商是台湾远翔,输入电压低至约 1.65V,可以提供保证的 200mA 负载电流和低压差电压,节省空间的微型 5 引脚 SOT-23 和 TSOT-23 封装非常适合手持式应用。
FP6161是一款 CMOS低压差、正线性稳压器,输入电压低至约 1.65V,可以提供保证的 200mA 负载电流和低压差电压,适用于便携式应用,例如蜂窝手机或PDA,经过设计和优化,可与低成本陶瓷电容器配合使用,在关断模式下消耗小于 0.1μA,此外,其电流限制保护和片上热关断功能可防止任何可能导致结温超过最大额定值的过载或环境温度组合。
FP6161 包括一个参考旁路引脚以降低输出噪声和一个逻辑控制的关断输入,节省空间的微型5引脚SOT-23 和 TSOT-23 封装非常适合手持式应用。
同步降压芯片FP6161特性;
输入电压范围:2.5 至 5.5V
精密反馈基准电压:0.6V (±2%)
输出电流:1A(最大值)
占空比:0~100%
内部固定 PWM 频率:1.5MHz
低静态电流:100μA
无需肖特基二极管
内置软启动
电流模式操作
过温保护
封装: DFN-6L (2x2mm), SOT23-5L, TSOT23-5L
1a 同步降压芯片FP6161应用;
蜂窝电话
无线和DSL调制解调器
数字静止相机
便携式产品
mp3播放器
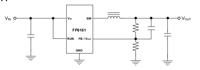
FP6161典型应用电路图;

DCDC降压芯片FP6161引脚图;

了解更多远翔同步降压芯片FP6161的数据手册、引脚功能、价格欢迎联系二方电子(远翔一级代理商)。