汽车天窗霍尔传感器FS41G1(特点 电路 应用)
FS41是一款双极锁存型霍尔开关,厂商是台湾远翔,宽电压输入3.0-28V,输出最大电流50mA,内置电源反接保护和温度补偿功能,待机电流10mA,工作温度范围为-40℃~150℃,耐压60V,可用于转速检测、位置检测、脉冲信号检测、定位、调速、无刷电机、电动车电机等,采用SIP-3L封装,丝印41F。

【 微信扫码咨询 】
0769-81816942
13342689247
FS41是一款双极锁存型霍尔开关,厂商是台湾远翔,宽电压输入3.0-28V,输出最大电流50mA,内置电源反接保护和温度补偿功能,待机电流10mA,工作温度范围为-40℃~150℃,耐压60V,可用于转速检测、位置检测、脉冲信号检测、定位、调速、无刷电机、电动车电机等,采用SIP-3L封装,丝印41F。
FS41是一款双极锁存型霍尔开关,反应速度快,灵敏度高,厂商是台湾远翔,宽电压输入3.0-28V,输出最大电流50mA,内置电源反接保护和温度补偿功能,待机电流10mA,工作温度范围为-40℃~150℃,耐压60V,可用于转速检测、位置检测、脉冲信号检测、定位、调速、无刷电机、电动车电机等,采用SIP-3L封装,丝印41F。
FS41引脚及功能描述;

1脚Vdd(P):正电源
2脚Gnd(G):接地
3脚Output(O):输出
O=输出,I/O=输入/输出,P=电源,G=地
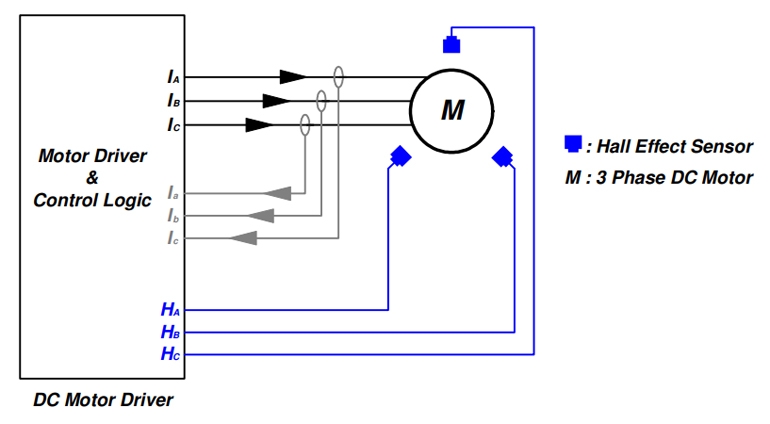
FS41G1-AA功能应用电路;

FS41封装尺寸及传感器位置;
