微功耗单极霍尔开关MH254ESN SOT-553
MH254ESN霍尔效应传感器是一款温度稳定、抗应力、低容差的灵敏度微功率开关,该芯片在单个硅芯片上包括以下组件:稳压器,霍尔电压发生器,小信号放大器,斩波稳定器,施密特触发器,CMOS输出驱动器,工作电压低至1.7V,输出电流5mA,灵敏度55高斯,S极感应,了解电路,霍尔芯片位置请看下方介绍。

【 微信扫码咨询 】
0769-81816942
13342689247
MH254ESN霍尔效应传感器是一款温度稳定、抗应力、低容差的灵敏度微功率开关,该芯片在单个硅芯片上包括以下组件:稳压器,霍尔电压发生器,小信号放大器,斩波稳定器,施密特触发器,CMOS输出驱动器,工作电压低至1.7V,输出电流5mA,灵敏度55高斯,S极感应,了解电路,霍尔芯片位置请看下方介绍。
MH254ESN霍尔效应传感器是一款温度稳定、抗应力、低容差的灵敏度微功率开关,该芯片在单个硅芯片上包括以下组件:稳压器,霍尔电压发生器,小信号放大器,斩波稳定器,施密特触发器,CMOS输出驱动器。先进的CMOS晶圆制造工艺用于利用低电压要求,组件匹配,非常低的输入失调误差和较小的组件几何形状,工作电压低至1.7V,输出电流5mA,灵敏度55高斯,S极感应。
微功耗单极霍尔开关MH254ESN主要特点;
CMOS霍尔IC技术
强大的射频噪声保护
电池供电应用为1.7至5.5V
高灵敏度,适用于簧片开关更换应用
5uA(Avg)的超低功耗
高ESD保护,HBM>±4KV(最小)
图腾柱输出
SOT-553封装
MH254ESN绝对最大额定值 At(Ta=25℃)
电源电压,(VDD) 6 V
输出电压,(Vout) 6 V
反向电压,(VDD) (VOUT) -0.3 V
输出电流,(IOUT) 5 mA
工作温度范围,(Ta) -40 to +85 ℃
储存温度范围,(Ts) -65 to +150 ℃
最高结温,(Tj) 150 ℃
热阻(θJA) SN 540 ℃/W
(θJC) 信噪比 390 ℃/W
封装功耗,(PD) SN 230 mW
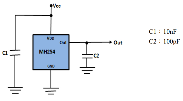
MH254ESN典型应用电路;

MH254ESN封装尺寸及霍尔板芯片位置;

同系列产品