微功耗全极霍尔效应开关MH248ESO EUA
MH248ESO或EUA型号是一颗全极低功耗霍尔开关,在单个硅芯片上包括稳压器、霍尔电压发生器、小信号放大器、斩波稳定器、施密特触发器、开漏输出,采用先进的CMOS晶圆制造工艺用于利用低电压要求,灵敏度5-60高斯,工作电压低至2.5V,最大5.5V,输出电流2mA,丝印248。

【 微信扫码咨询 】
0769-81816942
13342689247
MH248ESO或EUA型号是一颗全极低功耗霍尔开关,在单个硅芯片上包括稳压器、霍尔电压发生器、小信号放大器、斩波稳定器、施密特触发器、开漏输出,采用先进的CMOS晶圆制造工艺用于利用低电压要求,灵敏度5-60高斯,工作电压低至2.5V,最大5.5V,输出电流2mA,丝印248。
MH248ESO或EUA型号是一颗全极低功耗霍尔开关,在单个硅芯片上包括稳压器、霍尔电压发生器、小信号放大器、斩波稳定器、施密特触发器、开漏输出,采用先进的CMOS晶圆制造工艺用于利用低电压要求,灵敏度5-60高斯,MH248EUA (直插to92-3L封装),MH248ESO (贴片sot-23封装),此外还有多个封装供您选择,工作电压低至2.5V,最大5.5V,输出电流2mA,丝印248。
MH248ESO/EUA应用;
TWS充电仓、蓝牙耳机、DVD、CPU风扇、笔记本、电动自行车、空调、运动器材、热水器、咖啡炉等。
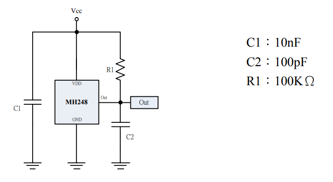
MH248霍尔典型应用电路;

MH248磁性传感器电气规格参数;
