线性霍尔元件MT9103ET(参数 电路 丝印 应用)
MT9103ET是Magntek麦歌恩一款无需校准线性位移检测IC,SOT-23封装,丝印9103,带宽30KHZ,供电电压3.0-5.5V,功耗6.7mA,感应磁场范围±650GS,灵敏度 3.4mV/Gs,具有应用简单,使用成本低的优点,推荐应用于电动园林剪刀、手持云台、油门踏板、工缝调速器、离轴编码器等,欢迎联系二方电子报价,提供样品。

【 微信扫码咨询 】
0769-81816942
13342689247
MT9103ET是Magntek麦歌恩一款无需校准线性位移检测IC,SOT-23封装,丝印9103,带宽30KHZ,供电电压3.0-5.5V,功耗6.7mA,感应磁场范围±650GS,灵敏度 3.4mV/Gs,具有应用简单,使用成本低的优点,推荐应用于电动园林剪刀、手持云台、油门踏板、工缝调速器、离轴编码器等,欢迎联系二方电子报价,提供样品。
MT9103ET是Magntek麦歌恩一款无需校准线性位移检测IC,丝印9103,带宽30KHZ,供电电压3.0-5.5V,功耗6.7mA,感应磁场范围±650GS,灵敏度 3.4mV/Gs,具有应用简单,使用成本低的优点,推荐应用于手持云台、油门踏板、工缝调速器、离轴编码器等,欢迎联系二方电子报价,提供样品。
线性霍尔元件MT9103ET主要特点;
出厂预编程线性霍尔
BCD工艺
模拟输出
低噪声输出
应用简单,成本低
SOT-23封装(3000/袋)
工作温度-40℃-150℃
工作Vcc范围3.0-5.5V
通过无铅认证(欧盟):2015/863
MT9103ET的主要应用;
云台电机角度反馈:功能是镜头跟随控制防抖动和自动跟随
踏板调速器:进行踏板角度检测
电动园林剪刀:起检测剪刀开/闭口行程
洗碗机电机:位置反馈
手持云台/云台摄像机:镜头跟随控制
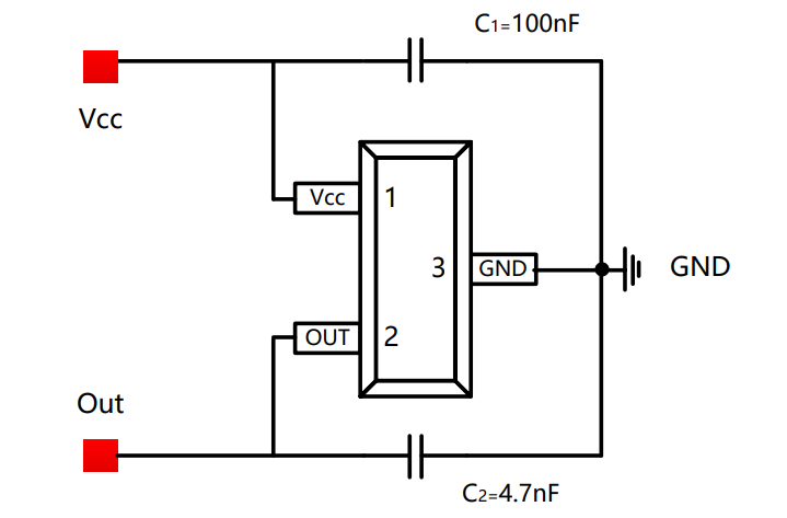
MT9103霍尔IC典型应用电路;

如需报价,或需了解更多该型号的参数及资料,规格书欢迎与我司联系,谢谢!