PWM调光控制恒流芯片BP2808B(特点 应用 典型电路)
BP2808B是一款高精度的LED恒流控制芯片,主要应用于非隔离的降压型 LED 电源系统,适合全范围的交流电压输入或者12V~600V的直流电压输入,芯片内带有高精度的电流取样电路,同时采用了专利的恒流控制技术,实现高精度的 LED恒流输出和优异的线性调整率,典型效率92%@18W,封装为SOP-8。

【 微信扫码咨询 】
0769-81816942
13342689247
BP2808B是一款高精度的LED恒流控制芯片,主要应用于非隔离的降压型 LED 电源系统,适合全范围的交流电压输入或者12V~600V的直流电压输入,芯片内带有高精度的电流取样电路,同时采用了专利的恒流控制技术,实现高精度的 LED恒流输出和优异的线性调整率,典型效率92%@18W,封装为SOP-8。
BP2808B是一款高精度的LED恒流控制芯片,主要应用于非隔离的降压型 LED 电源系统,适合全范围的交流电压输入或者12V~600V的直流电压输入,芯片内带有高精度的电流取样电路,同时采用了专利的恒流控制技术,实现高精度的 LED恒流输出和优异的线性调整率,芯片工作在电感电流临界模式,系统输出电流不随电感量和 LED工作电压的变化而变化,实现优异的负载调整率。
BP2808B采用专利的源极驱动技术,芯片工作电流只有200uA,无需辅助绕组供电,简化设计,降低系统成本,典型效率92%@18W,封装为SOP-8。
PWM调光控制恒流芯片BP2808B主要特点;
源极驱动,无需辅助绕组供电
高达±3%的 LED 电流精度
高达 95%以上的系统效率
支持模拟和 PWM 调光
LED 短路保护
CS 采样电阻短路保护
芯片过温保护
BP2808B芯片主要应用;
LED日光灯/筒灯/信号灯/景观灯
E14/GU10/E27/PAR30/PAR38 LED 射灯
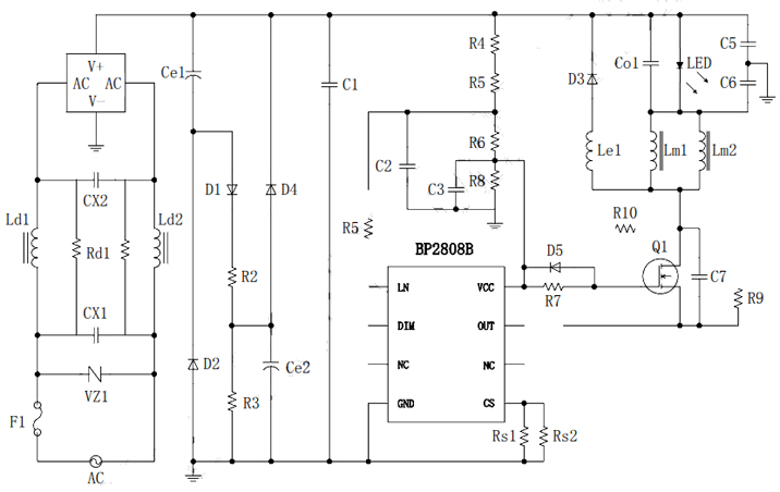
BP2808B电路图;

BP2808B恒流控制芯片引脚功能定义;
1 GND 芯片地
2 LN 线电压补偿输入端
3 VCC 芯片电源端,内置 12.5V 稳压管
4 OUT 驱动输出端,接外部功率开关的源极
5 NC 悬空
6 CS 电流采样端,采样电阻接在CS和地之间
7 NC 悬空
8 DIM 模拟和 PWM 调光端,不调光时可悬空
pwm调光恒流芯片BP2808B应用实例;
AC输入电压176Vac ~ 264Vac,输出 LED 电压:48V ~ 84V,输出LED电流:240mA
下图为应用实例原理图

与这颗料相关文章介绍;