dip7非隔离降压芯片BP2867DJ(规格书 引脚 功率)
BP2867DJ是一款专用于LED照明的恒流驱动芯片,应用于非隔离降压型LED驱动电源。采用专利的退磁检测技术和高压JFET供电技术,无需 VCC电容和启动电阻,使其外围器件更简单,最大输出功率25W,最大输出电流450mA,最小输出电压15V,采用DIP7封装,主要用于LED蜡烛灯,球泡灯。

【 微信扫码咨询 】
0769-81816942
13342689247
BP2867DJ是一款专用于LED照明的恒流驱动芯片,应用于非隔离降压型LED驱动电源。采用专利的退磁检测技术和高压JFET供电技术,无需 VCC电容和启动电阻,使其外围器件更简单,最大输出功率25W,最大输出电流450mA,最小输出电压15V,采用DIP7封装,主要用于LED蜡烛灯,球泡灯。
BP2867DJ是一款专用于LED照明的恒流驱动芯片,应用于非隔离降压型LED驱动电源。采用专利的退磁检测技术和高压JFET供电技术,无需 VCC电容和启动电阻,使其外围器件更简单,最大输出功率25W,最大输出电流450mA,最小输出电压15V,采用DIP7封装,主要用于LED蜡烛灯,球泡灯。
BP2867DJ芯片主要特点;
无VCC电容、无启动电阻
集成高压供电功能
外置防潮 OVP 功能
低母线电压下不闪灯
Enable 功能兼容开关调色和感应灯
±5% LED 输出电流精度
LED 短路保护
过热调节功能(140℃)
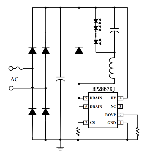
BP2867DJ典型应用电路;

DIP7芯片BP2867DJ引脚功能(引脚图见上图电路)
1 GND 芯片地
2 ROVP OVP 设置引脚
3 NC 无连接
4 HV 芯片高压供电端
5,6 DRAIN 内部高压功率管漏极
7 CS 电流采样端,采样电阻接在 CS 和 GND 端之间
规格书资料下载/查看;