降压型有源PFC芯片BP2366CJ(应用 功率 价格)
BP2366CJ是一款带有有源功率因素校正的高精度非隔离降压PFCLED 驱动芯片,厂商为晶丰明源, 专为具有恒流控制的通用电源而设计,系统工作在电感电流临界连续模式,可以实现 0.7 功率因数、较低的总谐波失真和高效率,封装SOP7,功率12W,主要用于LED灯管及球泡灯。

【 微信扫码咨询 】
0769-81816942
13342689247
BP2366CJ是一款带有有源功率因素校正的高精度非隔离降压PFCLED 驱动芯片,厂商为晶丰明源, 专为具有恒流控制的通用电源而设计,系统工作在电感电流临界连续模式,可以实现 0.7 功率因数、较低的总谐波失真和高效率,封装SOP7,功率12W,主要用于LED灯管及球泡灯。
BP2366CJ是一款带有有源功率因素校正的高精度非隔离降压PFC LED驱动芯片,厂商为晶丰明源, 专为具有恒流控制的通用电源而设计,系统工作在电感电流临界连续模式,可以实现 0.7 功率因数、较低的总谐波失真和高效率,封装SOP7,功率12W,主要用于LED灯管及球泡灯。
BP2366CJ芯片主要特点;
有源功率因数校正,0.7 PF
无 VCC 和 COMP 电容
外置电流采样电阻
电感电流临界连续模式
LED 短路保护
LED 开路保护(OVP 电阻调节)
逐周期电流限流
过热调节功能
OVP脚悬空可关闭OVP功能
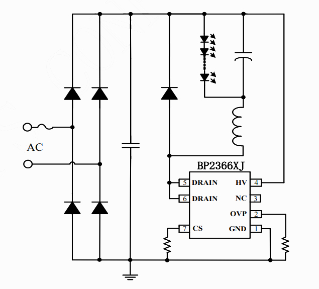
BP2366CJ典型应用电路图;

PFC电源管理芯片BP2366CJ引脚功能定义;
1 GND 芯片地
2 OVP OVP 设置引脚(OVP 悬空,取消 OVP 功能)
3 NC 无连接
4 HV 芯片高压供电端
5,6 DRAIN 内部高压功率管漏极
7 CS 电流采样端,采样电阻接在 CS 和 GND 端之间