
【 微信扫码咨询 】
0769-81816942
13342689247
PN8505是芯朋微一款非隔离开关电源芯片,输出电压固定为5V,适用于非隔离辅助电源,家电,智能家居(无线门铃),稳态功率为0.75W(5v150mA),有网友想知道这颗料可以用什么型号的芯片代换,下面IC代理商东莞二方电子为您解答。
PN8505可以用晶丰BP8523进行代换,如BP8523D,去VCC电容。
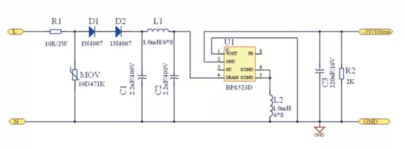
BP8523D是一款高性能,高集成度,低待机功耗的开关电源驱动芯片,适用于全电压85-265VAC输入的Buck、Buck-Boost变换器拓扑应用,固定5V输出,输出电流为100MA,如需输出更大电流可以选择BP8525D(5V200mA),BP8526D(5V300mA),典型应用为电热水壶,养生壶等辅助电源。
下图为BP8523D应用电路;

此外,还有士兰微的SDH8312芯片(5V200MA)也可以替换PN8505,感兴趣的工程师可自行上网查找规格书了解更多。
以上就是关于非隔离电源芯片PN8505替换的有关型号介绍,二方电子是晶丰明源一级代理商,可免费提供样品及技术支持,欢迎咨询。
与本文相关文章;
免责声明:本网站部分图片,文章来源于其它媒体与网站公开信息,版权归原作者所有,转载是出于非商业性的信息传播交流之目的,如涉及作品内容,版权或其它问题请及时反馈,我们将立即予以处理!