1-3节锂电池开关型充电芯片3A FP8207[图片 引脚中文]
FP8207是一款开关模式的电池充电控制器,设计厂商是台湾远翔,是输入4. 6V-16V降压式单节锂电(4.2V) ,双节锂电(8.4V),三节锂电(12.6V)充电管理芯片,可对单节或是多节锂离子电池(最多三节)进行定电流或是恒压充电,其最大充电电流为3A,下方内容有详细介绍该芯片应用案例,引脚中文意思。

【 微信扫码咨询 】
0769-81816942
13342689247
FP8207是一款开关模式的电池充电控制器,设计厂商是台湾远翔,是输入4. 6V-16V降压式单节锂电(4.2V) ,双节锂电(8.4V),三节锂电(12.6V)充电管理芯片,可对单节或是多节锂离子电池(最多三节)进行定电流或是恒压充电,其最大充电电流为3A,下方内容有详细介绍该芯片应用案例,引脚中文意思。
FP8207是一款开关模式的电池充电控制器,设计厂商是台湾远翔,是输入4. 6V-16V降压式单节锂电(4.2V) ,双节锂电(8.4V),三节锂电(12.6V)充电管理芯片,可对单节或是多节锂离子电池(最多三节)进行定电流或是恒压充电,其最大充电电流为3A,可用外部电阻进行设定,在充电方面细分成3种模式,包含了涓流模式、定电流模式与定电压模式,另有第三个控制回路可对来自电源转接器的输入电流进行限制,这可保证让系统持续工作的同时还能让电池以最高速率进行充电,但却不会超出电源供应器的能力。
多电池开关式模充电IC FP8207特点;
1.工作电压范围: 4.6-18V
2.可调式截止电压范围4.2-12.6V
3.可调式充电电流可达3A
4.精准参考电压: +1%
5.精准充电电流: +1%
6.固定工作频率: 500KHz
7.充电指示灯显示
8.多种保护功能:输入欠压保护,输入过压保护,芯片过温保护,电池短路保护,电池温度监控
9.封装TSSOP-14L带散热片
FP8207充电芯片应用案例;
输入12V蓝牙音箱、移动电源双节串联锂电(6V~8.4V与8.7V)
移动DVD、老人唱戏机等(升压型充电输入5V/9V FP6291/FP6298亦可)扩音器,POS 机电动工具
各类多串锂电池应用产品
FP8207IC bootstrap引脚中文意思;

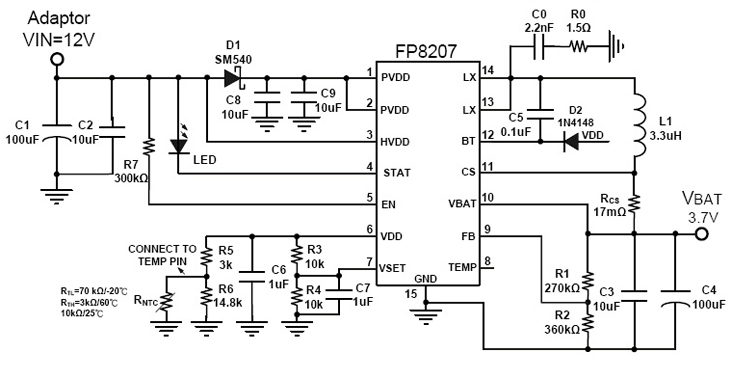
3A快速充电IC FP8207应用电路图;

FP8207芯片demo图;
