降压恒流LED芯片BP2836D(图片 引脚功能 电路图)
BP2836D是一款专用于LED照明的恒流驱动芯片,最大峰值电流<1.6A,主要应用于非隔离降压型LED驱动电源,采用专利的恒流架构和控制方法,芯片内部集成 500V 功率开关,只需要极少的外围组件就可以达到优异的恒流特性。了解该芯片的引脚功能,电路图原理图,引脚电压请看下方内容介绍。

【 微信扫码咨询 】
0769-81816942
13342689247
BP2836D是一款专用于LED照明的恒流驱动芯片,最大峰值电流<1.6A,主要应用于非隔离降压型LED驱动电源,采用专利的恒流架构和控制方法,芯片内部集成 500V 功率开关,只需要极少的外围组件就可以达到优异的恒流特性。了解该芯片的引脚功能,电路图原理图,引脚电压请看下方内容介绍。
BP2836D是一款专用于LED照明的恒流驱动芯片,最大峰值电流<1.6A,主要应用于非隔离降压型LED驱动电源,采用专利的恒流架构和控制方法,芯片内部集成 500V 功率开关,只需要极少的外围组件就可以达到优异的恒流特性。而且无需辅助绕组供电和检测,系统成本极低。系统上电后,母线电压通过启动电阻对VCC电容充电,当 VCC电压达到芯片开启阈值时,芯片内部控制电路开始工作。BP2836D 内置 17V 稳压管,用于钳位 VCC电压。芯片正常工作时,需要的 VCC电流极低,所以无需辅助绕组供电。
降压恒流LED芯片BP2836D特点(特性)
电感电流临界连续模式
内部集成 500V 功率管
无需辅助绕组检测和供电
芯片超低工作电流
宽输入电压
±5% LED 输出电流精度
LED开路保护/短路保护
CS 电阻短路保护
芯片供电欠压保护
过热调节功能
采用 DIP-8 封装
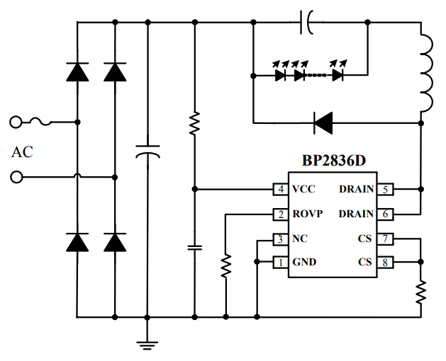
BP2836D芯片典型应用电路;

bp2836d引脚功能详解;
1、GND:芯片地
2、ROVP:开路保护电压调节端,接电阻到地
3、NC:无连接,建议连接到芯片地(Pin1)
4、VCC:芯片电源
5,6、DRAIN:内部高压功率管漏极
7,8、CS:电流采样端,采样电阻接在 CS 和 GND 端之间
VCC引脚最大电源电流5mA
DRAIN:内部高压功率管漏极到源极峰值电压-0.3~500 V
CS:电流采样端-0.3~6 V
ROVP:开路保护电压调节端 -0.3~6 V
BP2836D推荐工作参数范围;
