pwm调光恒流芯片BP2838G(特点 电路图 应用手册)
BP2838G是一款支持PWM调光的高精度降压型LED恒流驱动芯片,采用DIP7封装,适用于85Vac~265Vac全范围输入电压的非隔离降压型LED恒流电源,芯片内部集成500V功率开关,最小负载LED电压>25V。主要应用无级调光吸顶灯、无级调光球泡灯、其它LED照明。

【 微信扫码咨询 】
0769-81816942
13342689247
BP2838G是一款支持PWM调光的高精度降压型LED恒流驱动芯片,采用DIP7封装,适用于85Vac~265Vac全范围输入电压的非隔离降压型LED恒流电源,芯片内部集成500V功率开关,最小负载LED电压>25V。主要应用无级调光吸顶灯、无级调光球泡灯、其它LED照明。
BP2838G是一款支持PWM调光的高精度降压型LED恒流驱动芯片,采用DIP7封装,适用于85Vac~265Vac全范围输入电压的非隔离降压型LED恒流电源,芯片内部集成500V功率开关,采用专利的驱动和电流检测方式,芯片的工作电流极低,无需辅助绕组检测和供电,只需要很少的外围元件,即可实现优异的恒流特性,节约系统成本和体积。
BP2838G芯片内带有高精度的电流采样电路,同时采用了专利的恒流控制技术,实现高精度的 LED恒流输出和优异的线电压调整率。芯片工作在电感电流临界模式,输出电流不随电感量和 LED 工作电压的变化而变化,实现优异的负载调整率。
pwm调光恒流芯片BP2838G特点有哪些?
内部集成500V功率管
电感电流临界模式
无需辅助绕组检测和供电
芯片超低工作电流
宽输入电压 ±5% LED 输出电流精度
支持PWM调光
LED开路保护
LED短路保护
CS电阻短路保护
芯片供电欠压保护
过热调节功能
BP2838G芯片主要应用;
无级调光吸顶灯、无级调光球泡灯、其它LED照明
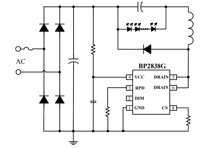
BP2838G典型应用电路图参考;

PWM调光注意点:
1. PWM输入信号到芯片DIM端之间需要串联一个10Kohm的电阻,起限电流作用。
2. PWM调光频率范围100HZ-500HZ
3. PWM调光过程中低电平不能出现小于15us的情况且满足Tovp<Tdemag<PWM低电平最小时间。
4. PWM大占空比的调光下,最小稳态输出电压Vo>70V。
5. PWM输入信号到Dim端之间的电阻连接如下图

资料下载;