大功率非隔离降压电源芯片BP9833D【引脚 电路图 价格】
BP9833D是一款高精度降压型LED恒流驱动芯片,采用DIP-8封装,工作在电感电流临界连续模式,适用于85Wac-265Vac全范围输入电压的非隔离降压型LED恒流电源,芯片内部集成500V功率开关,采用专利的驱动和电流检测方式,芯片的工作电流极低,欢迎广大客户联系咨询样品,批量价格。

【 微信扫码咨询 】
0769-81816942
13342689247
BP9833D是一款高精度降压型LED恒流驱动芯片,采用DIP-8封装,工作在电感电流临界连续模式,适用于85Wac-265Vac全范围输入电压的非隔离降压型LED恒流电源,芯片内部集成500V功率开关,采用专利的驱动和电流检测方式,芯片的工作电流极低,欢迎广大客户联系咨询样品,批量价格。
BP9833D是一款高精度降压型LED恒流驱动芯片,采用DIP-8封装,芯片工作在电感电流临界连续模式,适用于85Wac-265Vac全范围输入电压的非隔离降压型LED恒流电源,芯片内部集成500V功率开关,采用专利的驱动和电流检测方式,芯片的工作电流极低。无需辅助绕组检测和供电,只需要很少的外围元件,即可实现优异的恒流特性,极大的节约了系统成本和体积。
BP9833D芯片内带有高精度的电流采样电路,同时采用了专利的恒流控制技术,实现高精度的LED恒流输出和优异的线电压调整率,芯片工作在电感电流临界模式,输出电流不随电感量和LED工作电压的变化而变化,实现优异的负载调整率,具有多重保护功能:包括LED开路/短路保护,CS电阳短路保护,欠压保护,芯片温度过热调节等。
非隔离降压型电源芯片BP9833D特点;
电感电流临界连续模式
内部集成500V功率管
无需辅助绕维检测和供电
芯片超低工作电流
宽输入电压
土5% LED输出电流精度
LED开路保护
LED短路保护
CS电阻短路保护
芯片供电欠压保护
过热调节功能
LED降压恒流驱动IC芯片BP9833D典型应用;
LED平板灯
LED 日光灯
LED吸顶灯
其它LED照明
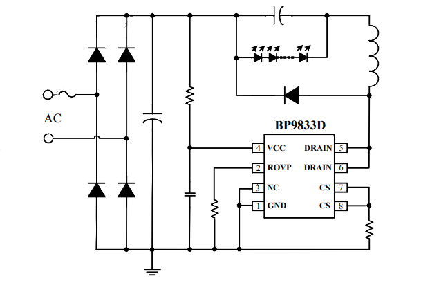
BP9833D芯片典型电路图;

BP9833D引脚功能详解;

bp2833d引脚电压;

我司所有IC产品均为全新原装真品,质量100%保障,价格合理,欢迎广大客户联系咨询!