高精度降压恒流芯片BP9916E 功率12-18W
本产品为高精度降压恒流芯片BP9916E,封装SOP8,适用于85Vac-265Vac全范围输入电压的非隔离降压型LED恒流电源,内部集成500V功率开关,最大输出LED 电流350ma,输出功率12-18W,了解详细引脚参数,恒流工作原理图,中文规格书请查看产品内容详情。

【 微信扫码咨询 】
0769-81816942
13342689247
本产品为高精度降压恒流芯片BP9916E,封装SOP8,适用于85Vac-265Vac全范围输入电压的非隔离降压型LED恒流电源,内部集成500V功率开关,最大输出LED 电流350ma,输出功率12-18W,了解详细引脚参数,恒流工作原理图,中文规格书请查看产品内容详情。
BP9916E是一款高精度降压型的LED恒流驱动芯片,芯片工作在电感电流临界连续模式,适用于85Vac~265Vac 全范围输入电压的非隔离降压型LED 恒流电源,芯片内部集成 500V 功率开关,采用专利的退磁检测技术和高压供电技术,无需辅助绕组的检测和供电,使其外围器件更简单,节约了系统的成本和体积。
BP9916E芯片带有高精度的电流采样电路,同时采用了专利的恒流控制技术,实现高精度的 LED 恒流输出和优异的线电压调整率,芯片工作在电感电流临界模式,输出电流不随电感量和 LED 工作电压的变化而变化,实现优异的负载调整率。
高精度降压恒流芯片BP9916E特点;
采用 SOP8 封装
内部集成 500V 功率管
集成高压供电功能
电感电流临界连续模式
无需辅助绕组检测和供电
宽电压输入电压
±5% LED 输出电流精度
LED 短路保护
芯片供电欠压保护
过热调节功能
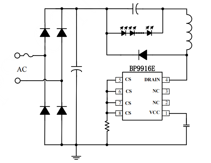
BP9916E芯片典型应用电路图;

led非隔离降压恒流驱动ic芯片BP9916E引脚封装及参数;

资料下载;
相关降压芯片型号;