三通道LED线性恒流芯片BP1638CJ【规格书 引脚 电流】
BP1638CJ是一款三通道可调光LED线性恒流驱动芯片,内置40V/200mA MOSFET,通过调节输入的3路PWM信号占空比,来调整对应LED光源的电流,从而达到调光目的,饱和电流<200mA,主要应用在LED调光调色智能灯泡,可以替代SM15633E,了解电路图,引脚功能请看下方产品详情。

【 微信扫码咨询 】
0769-81816942
13342689247
BP1638CJ是一款三通道可调光LED线性恒流驱动芯片,内置40V/200mA MOSFET,通过调节输入的3路PWM信号占空比,来调整对应LED光源的电流,从而达到调光目的,饱和电流<200mA,主要应用在LED调光调色智能灯泡,可以替代SM15633E,了解电路图,引脚功能请看下方产品详情。
BP1638CJ是一款三通道可调光LED线性恒流驱动芯片,内置40V/200mA MOSFET,通过调节输入的3路PWM信号占空比,来调整对应LED光源的电流,从而达到调光目的。
BP1638CJ支持 PWM 调光信号,可以搭配常见的调光模块实现调光功能,在保护方面具有过温调节功能,当 LED 电流过大导致芯片温度过高时,将降低输出电流。
三通道LED线性恒流芯片BP1638CJ特点;
三路线性PWM调光
内置三路 40V/200mA MOSFET
兼容10kHz 以下的 PWM 信号
单个Rcs设定三路输出电流
待机电流<100uA
芯片间输出电流偏差±4%
芯片内三路之间输出电流偏差±3%
采用 ESOP8 封装
三通道独立调光线性恒流芯片BP1638CJ主要应用;
LED调光调色智能灯泡
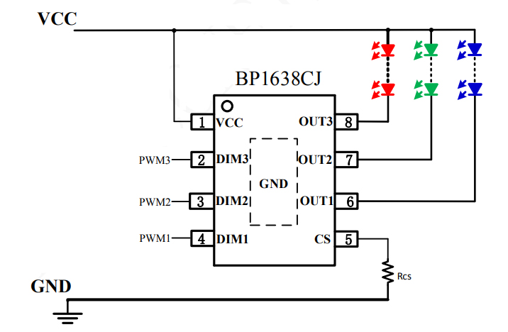
开关调光调色驱动芯片BP1638CJ典型应用电路图;

bp1638cj引脚功能图;

BP1638CJ可以替代哪些型号芯片?
可以替代SM15633E
BP1638CJ规格书;
规格书上全部内容都已在上面展示,欢迎咨询样品,最新价格。