隔离反激恒流驱动芯片BP3166AS 功率3-5W
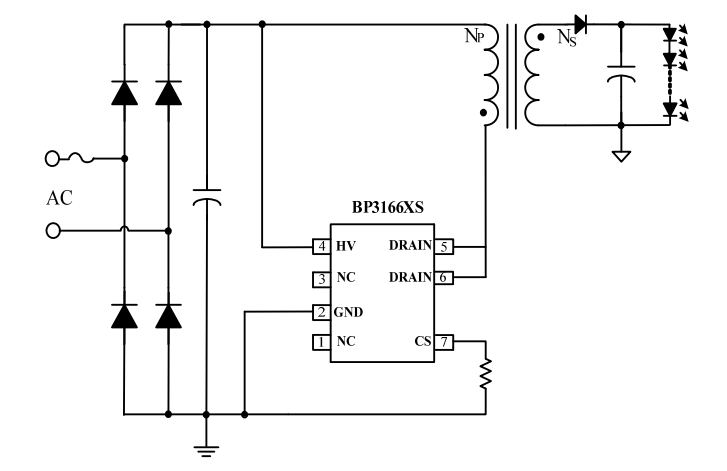
BP3166AS是一款高精度反激型的LED恒流驱动芯片,芯片工作在电感电流断续模式,适用于85Vac~265Vac全范围输入电压的隔离反激型LED恒流电源,内置功率管最大耐压650V,输出功率为3-5W,多灯并联无闪烁,具有较高的抗雷击浪涌能力,续流二极管开路触发OVP/无炸机,采用SOP7封装。

【 微信扫码咨询 】
0769-81816942
13342689247
BP3166AS是一款高精度反激型的LED恒流驱动芯片,芯片工作在电感电流断续模式,适用于85Vac~265Vac全范围输入电压的隔离反激型LED恒流电源,内置功率管最大耐压650V,输出功率为3-5W,多灯并联无闪烁,具有较高的抗雷击浪涌能力,续流二极管开路触发OVP/无炸机,采用SOP7封装。
BP3166AS是一款高精度反激型的LED恒流驱动芯片,芯片工作在电感电流断续模式,适用于85Vac~265Vac全范围输入电压的隔离反激型LED恒流电源,内置功率管最大耐压650V,输出功率为3-5W,多灯并联无闪烁,具有较高的抗雷击浪涌能力,续流二极管开路触发OVP/无炸机,采用SOP7封装。
隔离反激恒流驱动芯片BP3166AS基本信息;

BP3166AS芯片主要特点;
无VCC电容、无启动电阻
集成高压供电功能
无需辅助绕组检测和供电
宽范围输入电压
±5% LED输出电流精度
LED短路保护/开路保护
多灯并联无闪烁
芯片供电欠压保护
BP3166AS典型应用电路;

同系列芯片型号;