隔离低PF驱动芯片BP3166BJ【原理图 价格 规格书】
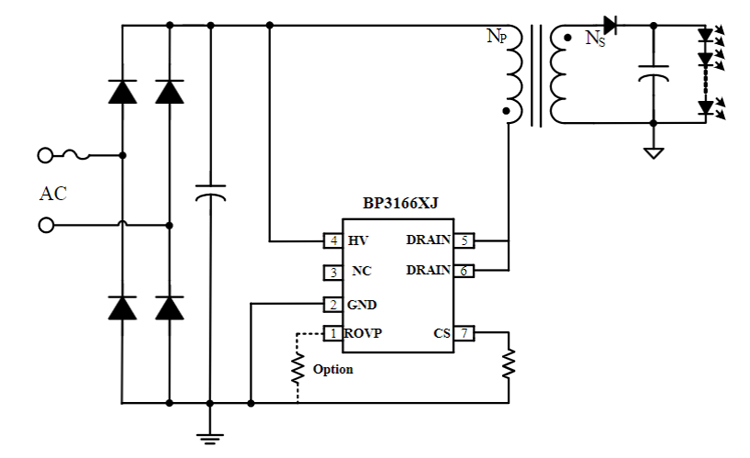
BP3166BJ是一款高精度反激型的LED恒流驱动芯片,采用SOP7封装,芯片工作在电感电流断续模式,适用于85Vac~265Vac全范围输入电压的隔离反激型LED恒流电源,无VCC电容、无启动电阻,集成高压供电功能,主要应用在LED球泡灯、LED 筒灯、其它LED照明。

【 微信扫码咨询 】
0769-81816942
13342689247
BP3166BJ是一款高精度反激型的LED恒流驱动芯片,采用SOP7封装,芯片工作在电感电流断续模式,适用于85Vac~265Vac全范围输入电压的隔离反激型LED恒流电源,无VCC电容、无启动电阻,集成高压供电功能,主要应用在LED球泡灯、LED 筒灯、其它LED照明。
BP3166BJ是一款高精度反激型的LED恒流驱动芯片,采用SOP7封装,芯片工作在电感电流断续模式,适用于85Vac~265Vac全范围输入电压的隔离反激型LED恒流电源,芯片内部集成高压功率开关,采用栅极退磁检测技术和高压JFET供电技术,无需VCC电容和启动电阻,使其外围器件更简单,节约了外围的成本和体积,具有多重保护功能,包括LED短路保护,开路保护,芯片温度过热调节功能等。
LED隔离驱动IC芯片BP3166BJ特点;
无VCC电容、无启动电阻
集成高压供电功能
无需辅助绕组检测和供电
宽范围输入电压
±5% LED输出电流精度
LED短路保护
LED开路保护
EN功能
芯片供电欠压保护
过热调节功能
无VCC电容隔离恒流驱动IC BP3166BJ主要应用;
LED球泡灯
LED 筒灯
其它LED照明
典型应用电路图;

资料下载;