双列直插降压恒流芯片BP2865E(引脚参数 电路图)
BP2865E是一款高精度降压型LED恒流驱动芯片,直插DIP7封装,芯片工作在电感电流临界连续模式,适用于85Vac~265Vac 全范围输入电压的非隔离降压型LED恒流电源,内部集成500V功率开关,工作电流低,主要用于LED日光灯,吸顶灯,球泡灯等。

【 微信扫码咨询 】
0769-81816942
13342689247
BP2865E是一款高精度降压型LED恒流驱动芯片,直插DIP7封装,芯片工作在电感电流临界连续模式,适用于85Vac~265Vac 全范围输入电压的非隔离降压型LED恒流电源,内部集成500V功率开关,工作电流低,主要用于LED日光灯,吸顶灯,球泡灯等。
BP2865E是一款高精度降压型LED恒流驱动芯片,直插DIP7封装,芯片工作在电感电流临界连续模式,适用于85Vac~265Vac 全范围输入电压的非隔离降压型LED恒流电源,芯片内部集成500V功率开关,采用专利的驱动和电流检测方式,芯片的工作电流极低,无需辅助绕组检测和供电,只需要很少的外围元器件,即可实现优异的恒流特性,主要用于LED日光灯,吸顶灯,球泡灯等。
双列直插降压恒流芯片BP2865E主要特点;
内部集成 500V 功率管
无需辅助绕组检测和供电
芯片超低工作电流
宽输入电压
±5% LED 输出电流精度
LED开路/短路保护
CS 电阻短路保护
芯片供电欠压保护
过热调节功能
非隔离降压型LED恒流驱动芯片BP2865E引脚参数;
VCC引脚最大电源电流:5mA
DRAIN内部高压功率管漏极到源极峰值电压:-0.3~500V
CS电流采样端:-0.3~6 V
ROVP开路保护电压调节端-0.3~6 V
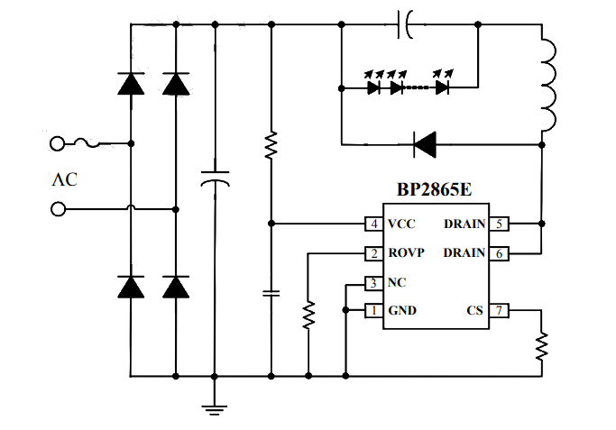
BP2865E典型路线电路图;

与该芯片型号相关文章;