内置二极管降压恒流芯片BP2861AK(参数 引脚功能)
BP2861AK是一款非隔离降压型LED恒流驱动芯片,内置续流二极管,芯片工作在电感电流临界连续模式,适用于85Vac-265Vac全范围输入电压的非隔离降压型LED恒流电源,集成600V超快恢复二极管,无VCC电容,也无启动电阻,过温点120℃,采用SOP7封装,典型应用18W/120mA。

【 微信扫码咨询 】
0769-81816942
13342689247
BP2861AK是一款非隔离降压型LED恒流驱动芯片,内置续流二极管,芯片工作在电感电流临界连续模式,适用于85Vac-265Vac全范围输入电压的非隔离降压型LED恒流电源,集成600V超快恢复二极管,无VCC电容,也无启动电阻,过温点120℃,采用SOP7封装,典型应用18W/120mA。
BP2861AK是一款非隔离降压型LED恒流驱动芯片,内置续流二极管,芯片工作在电感电流临界连续模式,适用于85Vac-265Vac全范围输入电压的非隔离降压型LED恒流电源,集成600V超快恢复二极管,无VCC电容,也无启动电阻,过温点120℃,采用SOP7封装,典型应用18W/120mA。
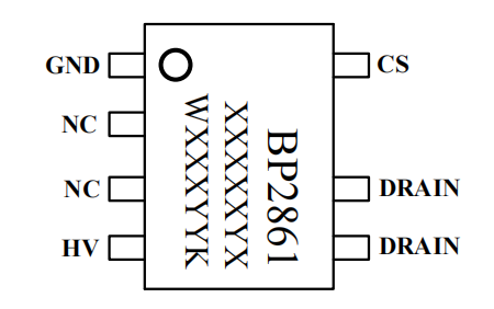
BP2861AK引脚图及引脚功能定义;

1 GND 芯片地
2,3 NC 无连接
4 HV 芯片高压供电端
5,6 DRAIN 内部高压功率管漏极
7 CS 电流采样端,采样电阻接在 CS 和 GND 端之间
BP2861AK极限参数;(漏极最大电流440mA)

BP2861AK工作范围;
最大输出电流220mA,最大输出功率17W(Vin=176Vac~265Vac,腔体温度 60℃)