单段高压线性恒流LED驱动芯片BP5118FH
BP5118FH是一款高精度的、支持调光的单段线性LED恒流驱动芯片,内置500V功率mos管,主要用于市电输入的高功率因数的各类光源和灯具的驱动,同时具有良好的可控硅调光器兼容性,基于线性恒流技术,可以省去电解电容和磁性元件, 有助于 LED 驱动器实现小体积、长寿命,并符合 EMI 标准。

【 微信扫码咨询 】
0769-81816942
13342689247
BP5118FH是一款高精度的、支持调光的单段线性LED恒流驱动芯片,内置500V功率mos管,主要用于市电输入的高功率因数的各类光源和灯具的驱动,同时具有良好的可控硅调光器兼容性,基于线性恒流技术,可以省去电解电容和磁性元件, 有助于 LED 驱动器实现小体积、长寿命,并符合 EMI 标准。
BP5118FH是一款高精度的、支持调光的单段线性LED恒流驱动芯片,主要用于市电输入的高功率因数的各类光源和灯具的驱动,同时具有良好的可控硅调光器兼容性,基于线性恒流技术,可以省去电解电容和磁性元件, 有助于 LED 驱动器实现小体积、长寿命,并符合 EMI 标准。
线性恒流LED驱动驱动芯片BP5118FH特点;
电路简单,驱动器体积小
良好的调光兼容性
PF>0.7
内置500V MOS管
集成高压启动线路,超快LED启动
±5%LED电流输出精度
LED电流可外部设定
内置过温调节功能
采用 SOP8-EP 封装
BP5118FH恒流驱动芯片主要应用;
GU10/E27 LED球泡灯 、筒灯
LED吸顶灯
其它LED照明
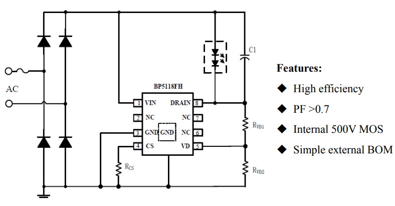
BP5118FH典型电路图;

BP5118FH芯片相关文章;