led pwm调光非隔离驱动芯片bp2958f 无频闪
BP2958F是一款支持PWM输入调光的高精度降压型LED恒流驱动IC芯片,采用DIP7封装,厂商为晶丰明源,全程采用模拟调光控制模式,专为无频闪无噪声LED智能照明应用而设计,工作温度-40-105℃,最大输出电流450mA,最大输出功率37W,最小负载电压>50V,了解更多参数见下方规格书。

【 微信扫码咨询 】
0769-81816942
13342689247
BP2958F是一款支持PWM输入调光的高精度降压型LED恒流驱动IC芯片,采用DIP7封装,厂商为晶丰明源,全程采用模拟调光控制模式,专为无频闪无噪声LED智能照明应用而设计,工作温度-40-105℃,最大输出电流450mA,最大输出功率37W,最小负载电压>50V,了解更多参数见下方规格书。
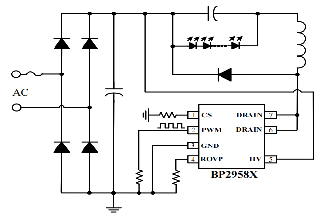
BP2958F是一款专用于LED照明的恒流驱动芯片,主要应用于PWM调光非隔离降压型LED驱动电源,全程采用模拟调光控制模式,专为无频闪无噪声LED智能照明应用而设计,内部带有高精度的电流采样电路,来实现精确的LED恒流输出和优异的线电压调整率,漏极最大电流1000mA,芯片最大输出电流450mA,最大输出功率37W,最小负载电压>50V。
非隔离调光IC BP2958F特点;
支持1%-100%PWM调光
全程模拟调光无频闪
无需启动电阻和VCC电容
内部集成500V功率管
±5%LED输出电流精度
LED调光芯片BP2958F应用电路图;

BP2958F芯片内部结构框图;

更多关于bp2958F芯片的引脚及引脚功能定义,极限参数、工作范围、电气参数,封装尺寸等信息见下方规格书。
资料下载;
内容相关文章;